-
简介
-
参数
-
产品彩册
-
附件
-
售后保障
产品简介
一、技术路线
高频振荡复合脉冲修复技术的策略及实现:
充电过程中随着电解液浓度的升高,端电压也不断升高且极化分布情况也随之变化。因此,在修复过程获取蓄电池的极化电压大小,由其决定去极化脉冲宽度和下一阶段充电电流的给定值大小,则将能真正实现蓄电池修复充电。
针对长期欠充电的电池一般是极板表面变成坚硬的硫酸结晶,硫酸铅结晶在充电时是不会和硫酸发生化学反应的,而且还阻碍内层的铅跟硫酸发生化学反应.所以要通过用尖端脉冲击穿极板表面硫酸铅结晶,使极板能和硫酸发生化学反应,经过多次修复充放电后,一般可还原成原来的硫酸铅,因此电池便可修复好。
在脉冲修复波形的多个参数中,幅度是第一位的。当然这幅度是与输出阻抗有关,若输出阻抗大,这幅度大就没什么用了。要输出阻抗很小,在脉冲宽度内能输出大的脉冲电流.至于脉冲前后沿,一般来说,脉冲前后沿即是开关时间越小,开关管的损耗就越小,开关管的发热也就越小,整机的可靠性和寿命会越好。
同时用涓流法也可以修复硫化不太严重的电池,加涓流,就是加直流。当电池充不进电时,要产生涓流就要加一定的高电压,这高电压就是场强.硫化铅结晶的最外层电子照样也能脱离轨道去参加还原反应。
因此,对于蓄电池采用的修复策略主要有:(1)高幅值、高频率的振荡式脉冲充电可有
效的修复电池;(2)负脉冲缓解了浓差极化和电化学极化,在修复的同时,从而也有效避免了电池修复过程中的高温大量失水。
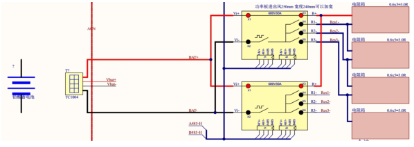
二、技术原理
该技术采用新型Buck/Boost电路,并通过脉冲宽度调制技术控制开关管实现高频脉
冲,实现蓄电池充电及修复功能。
三、功能概述
1. 具备充、放电容量测试功能;
2. 具备充放电电压、电流、时间、容量等阀值的设定;
3. 具备测试数据记录以日期时间保存并显示在历史数据中;
4. 具备电压、电流、容量、温度实时动态显示;
5. 具备充、放电参数预设置,一键启动;
6. 采用单相AC220V供电方式。
7. 7英寸液晶触摸显示屏,分辨率1024x600。
8. 内置存储器(128MB):支持自动存储测试记录,可查看历史数据情况。
9. 预留RS485主机接口,电芯电压采集。
10. 预留RS485从机接口,接受远程控制。
11. 预留CAN通信接口。
12. 预留USB接口,数据转存。
产品参数
电源输入-交流 | 单相交流220V,频率范围为40-60Hz。 | |
电池输入-直流 | 输入电压5-106Vdc | |
主机操作方式 | 触摸屏 | |
显示屏 | 7寸TFT液晶屏,电阻触摸屏,分辨率1024x600 | |
数据通讯 | RS485x1(默认不开放) | |
内部数据存储 | 128MBit | |
电压测量精度 | ±0.5%FS+0.1V 最大量程200V | |
电流测量精度 | ±1%FS+0.1A 最大量程50A | |
组电压显示精度 | 0.01V | |
组电流显示精度 | 0.1A | |
放电电流控制精度 | ±1%FS | |
放电电压范围 | 5-70Vdc,70-106V | |
放电电流范围 | 0-50A,0-30A | |
充电电压范围 | 5-70Vdc,70-106V | |
充电电流范围 | 0-50A,0-30A | |
主机保护 | 过温、过流、电流失控触发停机保护 | |
停机执行机构 | 直流空气断路 63A | |
反接保护 | 支持 | |
异常保护 | 电源线掉电、主电缆掉电 | |
过温保护 | 电阻箱过温85℃;散热器过温100℃ | |
报警提示 | 液晶显示+蜂鸣器。 | |
安全测试 | ||
耐压测试 | 交流输入-机壳:2200Vdc 1min 交流输入-机壳 | |
直流输入-输出:2200Vdc 1min 直流输入-机壳 | ||
工作环境 | ||
散热 | 强制风冷 | |
温度 | 工作温度范围:-5~50℃;贮藏温度:-40~70℃ | |
湿度 | 相对湿度0~90%(40±2℃) | |
海拔 | 额定海拔2000米 | |

售后保障
服务与支持:
了解产品售后请阅读"售后服务承诺书", 产品技术问题请联系我们,我们将尽快安排工程师为您处理,售后服务中心:400-027-6446, 18986115168(24小时售后服务)。
服务承诺:
湖北电保姆始终坚持"精心打造精品、优质回报客户"的宗旨, 并严格执行《售后服务承诺》,我们深信优质、系统、 全面、快捷的服务是事业发展的基础。建立完善的销售服务机制,将销售服务工作纳入企业管理范畴,坚持常抓不懈。
经过多年的不断探索和进取,我们形成了"以客户为核心、以质量为企业的第一生命"的服务理念,制定了"规范管理制度 、严格过程控制、保证产品质量、达到顾客满意"的质量方针,坚持"用户第一"的原则,构建良好的销售服务体系,为客 户提供优质的售前、售中及售后服务!
因厂家会在没有任何提前通知的情况下更改产品包装或者一些附件,本司不能确保客户收到的货物与网站图片、附件说明完全一致。产品详细信息均以实物为准,请购买前与销售人员进行确认。具体型号参数请参考说明书。本服务承诺最终解释权归湖北电保姆电力自动化有限公司所有。
权利声明:
本公司网站上的所有产品图片、产品说明书、产品视频资料、客户留言等内容,是湖北电保姆重要的经营资源,未经许可,禁止非法转载使用。
注: 1.产品外观以实际产品为准,技术参数与型号如有变动,恕不另行通知,如有盗用或复印行为,将追究法律责任。
2.了解更多电保姆电力产品信息请进入产品中心,服务热线:400-027-6446。